根據《建筑設計防火規范》及《高層民用建筑設計防火規范》的規定,應在建筑物內的下列部位設置消防應急照明燈,消防應急照明燈又分安全出口指示燈與疏散指示標志燈:

疏散指示標志燈
1、封閉的樓梯間、防煙樓梯間及其前室,消防電梯及其前室;
2、配電室、消防控制室、自動發電機房、消防水泵房、防煙排煙機房,供消防用的蓄電池室、電話總機房以及發生火災時需要繼續堅持工作的其他房間;
3、觀眾廳及每層超過1500㎡的展覽廳、營業廳,建筑面積超過200㎡的演播室、人口密集且建筑面積超過300㎡的地下室;
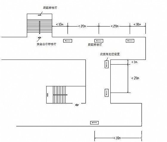
4、公共建筑內的疏散走道和長度超過20米的內走道;
5、多層和高層建筑各樓層通往樓梯間和消防電梯前室的門口;
6、大面積的廳堂、場、館通向疏散通道和通往前廳、側廳、樓梯間的出口。

消防應急燈
安全出口指示燈與疏散指示標志燈安裝要求:
1、為防止火災發生時產生的煙霧影響視覺,安全出口指示燈的安裝高度以2-2.5米為宜,安全出口指示燈的正面畫面部分應盡量與安全疏散通道保持垂直角度,底邊距地不宜低于2米;一般安裝于出口門框的上方,如果門框太高時,可安裝于門框的側口位置;

安全指示燈安裝圖
2、疏散走道的疏散指示標志燈宜設在疏散走道及其轉角處距地面高度1米以下的墻面上、柱上或地面上;疏散走道的疏散指示標志燈的間距不應大于20米,人防工程疏散指示標志燈的間距不應大于15米;方便人員疏散時,無論從哪個位置都能夠找到正確的緊急逃生出口。

疏散指示標志燈施工設計圖
3、疏散指示標志燈與安全出口指示燈應安裝牢固可靠,不得有明顯松動;疏散指示標志燈與安全出口指示燈為消防負荷,不應設置漏電保護。
安全出口指示燈與疏散指示標志燈的安裝方式:
較大空間的場所按照一定的距離布燈間距不應大于20米,固定于安全出口通道的立柱上面,或壁掛于墻面上,或吊掛于天花板等多種形式。
注:車站候車廳,機場候機大廳,醫院,商場等人員密集型公共場所,建議適當加大布燈密度;安全出口疏散指示燈宜采用寬度大于600毫米的應急指示燈具,便于突發停電時可以更加直觀,迅速地發現應急燈具所在位置,準確地引導人員安全撤離;同時也提升了使用場所光照的部分指標。
參考:
《消防應急燈具》GB17945-2010
《消防安全標志》GB13495
《消防安全疏散標志設置標準》DBJ 01-611-2002
《消防應急照明燈具通用技術條件》GA 54-93
《消防安全標志通用技術條件》GA 480.1-2004
《消防電子產品檢驗規則》GB 12978-2003
《消防電子產品 環境試驗方法及嚴酷等級》GB 16838-2005
《消防產品現場檢查判定規則》GA 588-2005
《消防安全疏散標志設置標準》DBJ 01-611-2002
《建筑設計防火規范》 GB50016-2006
《高層民用建筑設計防火規范》GB 50045—95(2001年修訂版)
《關于進一步落實消防產品身份證管理制度的通知》公消[2007]502號




最新安防評論